Skip to main content

You're viewing a previously published revision of this guide.  View latest revision

Older Newer
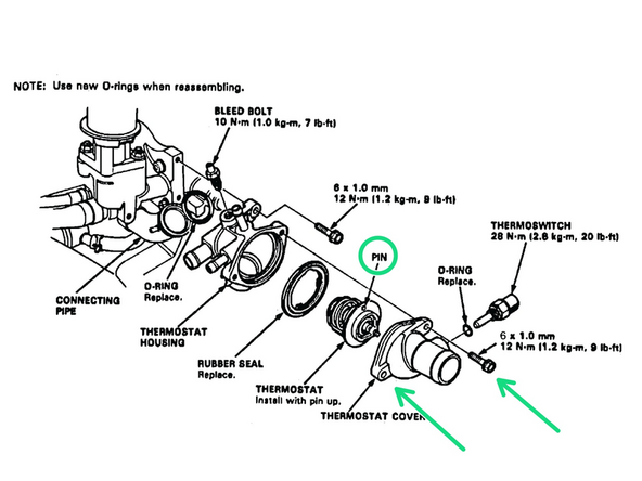
  1. Make sure the pin valve is at the top when installed. Do not install it upside down; otherwise, air will get trapped, and it will not bleed properly.
    • Make sure the pin valve is at the top when installed. Do not install it upside down; otherwise, air will get trapped, and it will not bleed properly.

  2. Confirm rubber gasket is oriented correctly. The nipples on the rubber gasket should face the same direction as the spring.
    • Confirm rubber gasket is oriented correctly.

    • The nipples on the rubber gasket should face the same direction as the spring.

  3. Make sure the pin valve is at the top. Do not install it upside down.
    • Make sure the pin valve is at the top. Do not install it upside down.

    • Torque bolts to 8.7lb ft.

  4. Make sure the pin valve is at the top. Do not install it upside down.
    • Make sure the pin valve is at the top. Do not install it upside down.

    • Torque bolts to 8.7lbft.

  5. Make sure the pin valve is at the top. Do not install it upside down.
    • Make sure the pin valve is at the top. Do not install it upside down.

    • Torque bolts to 8.7lbft.

  6. Insert wisdom here.
    • Insert wisdom here.

Hybrid Racing

Member since: 4/29/14

13,989 Reputation

76 Guides authored

View Statistics:

Past 24 Hours: 1

Past 7 Days: 4

Past 30 Days: 10

All Time: 319